Sign In | Join Free | My esadidasol.com
China Nanjing Tianyi Automobile Electric Manufacturing Co., Ltd. logo
Nanjing Tianyi Automobile Electric Manufacturing Co., Ltd.
Nanjing Tianyi Automobile Electric Manufacturing Co., Ltd. Customer First! Quality Focus!
Verified Supplier

11 Years

Home > Spark Plug Resistor >

Bended Plastic PBT Resistor Spark Plug With High / Low Temperature Resistance

Nanjing Tianyi Automobile Electric Manufacturing Co., Ltd.
Trust Seal
Verified Supplier
Credit Check
Supplier Assessment
Contact Now

Bended Plastic PBT Resistor Spark Plug With High / Low Temperature Resistance

Brand Name : TY

Model Number : TY0013B04

Certification : ISO/TS 16949: 2009

Place of Origin : CHINA

MOQ : 1000 pcs

Price : negotiation

Payment Terms : T/T, Western Union

Supply Ability : 250,000 pcs per month

Delivery Time : 15 working days after payment

Packaging Details : Based on customer's demand

Standard : ISO 6856 / ISO 3808

Customers : BorgWarner, JANMOR etc.

Appearance : Black with special spring

Feature : High / low temp resistance

Contact Now

Bended Plastic PBT Spark Plug Resistor with High / Low Temperature Resistance

Standard:

  1. ISO 6856
  2. ISO 3808

Product Merits:

  1. Excellent heat resistance and weather resistance
  2. Great electrical characteristics and insulating property
  3. Low hydroscopic property.
  4. Odorless, no harm to body
  5. No transformation, acid and alkali resistance, no dilatation
  6. Can be used more than 50,000 km or 3 years
  7. Can be designed and developed according to customer’s requirements

Applications:

  1. Widely used in electronics, auto parts, and machinery etc.
  2. This product is used in the ignition system of auto engine

Product Properties and Dimensions:

Item

Specification

Resistance (KΩ)

1±20%

Color

Black

Withstand voltage (KV)

≥30

Usage temperature (℃)

-20-155

Insertion and removal forces (N)

20-70

Material

PBT black

Assembly way

Injection

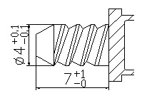
Assembly dimension: connecting ignition wire

Bended Plastic PBT Resistor Spark Plug With High / Low Temperature Resistance

Inner diameter: connecting Spark Plug

Bended Plastic PBT Resistor Spark Plug With High / Low Temperature Resistance

Raw Material Properties of Product:

Item

Standard

Tensile Strength

ISO527-2:1993

Elongation at break

ISO527-2:1993

Flexural Strength

ISO178:2004

Flexural Modulus

ISO178:2004

Izod impact strength

ISO180:2000

Dielectric Constant

IEC60250:1969

Dielectric Strength

IEC60243-1:1998

Volume Resistivity(1011)

IEC60093:1980

Thermal deformation temperature(1.82Mpa)

ISO75-2:2004

Melt flow rate(205℃)

ISO1133:2005

Flame Retardant

UL94:2006

Glass Fiber content

ISO3451-1:2008


Product Tags:

Spark Plug Resistance

      

Resistor Type Spark Plugs

      
Buy cheap Bended Plastic PBT Resistor Spark Plug With High / Low Temperature Resistance product

Bended Plastic PBT Resistor Spark Plug With High / Low Temperature Resistance Images

Inquiry Cart 0
Send your message to this supplier
 
*From:
*To: Nanjing Tianyi Automobile Electric Manufacturing Co., Ltd.
*Subject:
*Message:
Characters Remaining: (0/3000)